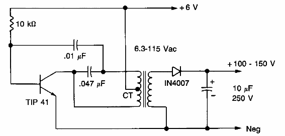
Este pequeño inversor que produce alta tensión a partir de una fuente de 6 V se encontró en la documentación estadounidense. La corriente es baja y la tensión indicada es en abierto. Hay una caída dependiendo de la corriente suministrada.

Fuente de alta tensión



