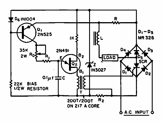
Encontrado en una Electronic Design de 1965, este circuito limita las sobretensiones en una carga cuando se aplica alimentación. Los diodos y SCR deben estar de acuerdo con la carga.

Limitador de sobretensión
Encontrado en una Electronic Design de 1965, este circuito limita las sobretensiones en una carga cuando se aplica alimentación. Los diodos y SCR deben estar de acuerdo con la carga.
