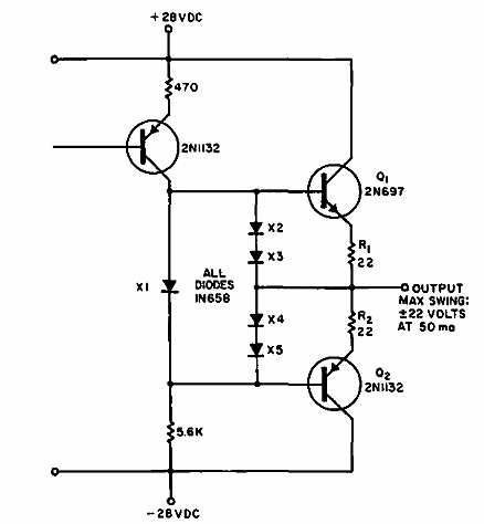
Encontrado en una Electronic Design de 1964, este circuito protege los transistores de un paso de salida complementario. Los diodos limitan la corriente en el par complementario.

Protección para transistores de salida
Encontrado en una Electronic Design de 1964, este circuito protege los transistores de un paso de salida complementario. Los diodos limitan la corriente en el par complementario.
