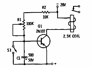
Este temporizador para unos pocos minutos se indicó originalmente para aplicaciones fotográficas. Lo encontramos en un Novel Electronics Circuits de 1968. El transistor es para propósito general. El capacitor se puede aumentar para intervalos de tiempo más largos.

Foto temporizador



