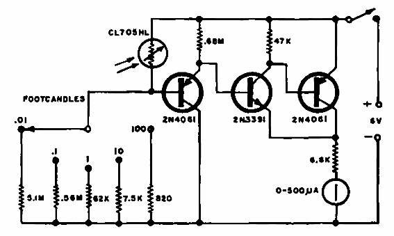
Obtenido en 1968 Electronics World, este circuito utiliza transistores de la época y el sensor es un LDR común. Los valores de los componentes son para escalas de 0.01 a 100 candelas-pie.

Fotómetro de 4 bandas
Obtenido en 1968 Electronics World, este circuito utiliza transistores de la época y el sensor es un LDR común. Los valores de los componentes son para escalas de 0.01 a 100 candelas-pie.
