Encontrado en una Electronic Design de los años 80, este circuito monitorea una línea trifásica, activando un relé cuando se corta una de las fases.

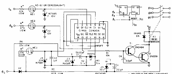
Detector de secuencia de fase
Encontrado en una Electronic Design de los años 80, este circuito monitorea una línea trifásica, activando un relé cuando se corta una de las fases.

Este circuito puede suministrar corrientes hasta 2 A. La salida es de 6 V con el zener de 7V2 o...
Esta configuración de filtro se encontró en una documentación de los años 80. El circuito tiene la...
Encontrado en una Electronics Now desde la década de 1980, este circuito aísla los accesorios de un...
| Joomla! Version | 5.3.2 |
| PHP Version | 8.3.24 |
| Identity | guest |
| Response | 200 |
| Template | cassiopeia |
| Database |
|
| 1 x After Access::preloadPermissions (com_content) (16.25MB) (55.88%) | 24.45ms |
| 1 x afterRenderComponent com_content (309.31KB) (12.63%) | 5.53ms |
| 1 x afterInitialise (1.13MB) (8.37%) | 3.66ms |
| 1 x afterRender (251.42KB) (6.66%) | 2.91ms |
| 1 x beforeRenderRawModule mod_articles_category (Banco de Circuitos) (359.36KB) (3.42%) | 1.50ms |
| 1 x Before Access::getAssetRules (id:17694 name:com_content.article.21616) (514.65KB) (2.48%) | 1.09ms |
| 1 x afterRoute (90.61KB) (2.06%) | 901μs |
| 1 x afterRenderRawModule mod_finder (Busca_inteligente) (54.63KB) (1.87%) | 819μs |
| 1 x beforeRenderModule mod_articles_category (Banco de Circuitos) (9.98KB) (1.24%) | 543μs |
| 1 x After Access::preloadComponents (all components) (113.51KB) (1.2%) | 523μs |
| 1 x beforeRenderComponent com_content (100.52KB) (1.09%) | 475μs |
| 1 x afterRenderRawModule mod_articles_category (Banco de Circuitos) (79.5KB) (0.65%) | 283μs |
| 1 x afterLoad (83.57KB) (0.61%) | 267μs |
| 1 x Before Access::preloadComponents (all components) (33.13KB) (0.46%) | 203μs |
| 1 x beforeRenderModule mod_finder (Busca_inteligente) (6.39KB) (0.44%) | 192μs |
| 1 x beforeRenderRawModule mod_finder (Busca_inteligente) (5.9KB) (0.2%) | 89μs |
| 1 x After Access::getAssetRules (id:17694 name:com_content.article.21616) (7.38KB) (0.14%) | 63μs |
| 1 x afterRenderModule mod_articles_category (Banco de Circuitos) (5.47KB) (0.14%) | 59μs |
| 1 x afterRenderModule mod_finder (Busca_inteligente) (4.44KB) (0.11%) | 50μs |
| 1 x afterDispatch (2.25KB) (0.1%) | 42μs |
| 1 x Before Access::preloadPermissions (com_content) (1.57KB) (0.02%) | 7μs |
SELECT @@SESSION.sql_mode;30μs968B/libraries/src/Session/MetadataManager.php:184CopySELECT `session_id`
FROM `incbmx_session`
WHERE `session_id` = :session_id LIMIT 182μs1.3KBParams/libraries/src/Session/MetadataManager.php:187CopyINSERT INTO `incbmx_session`
(`session_id`,`guest`,`time`,`userid`,`username`,`client_id`) VALUES
(:session_id, :guest, :time, :user_id, :username, :client_id)237μs944BParams/libraries/src/Session/MetadataManager.php:260CopySELECT `id`,`rules`
FROM `incbmx_viewlevels`46μs656B/libraries/src/Access/Access.php:955CopySELECT `b`.`id`
FROM `incbmx_usergroups` AS `a`
LEFT JOIN `incbmx_usergroups` AS `b` ON `b`.`lft` <= `a`.`lft` AND `b`.`rgt` >= `a`.`rgt`
WHERE `a`.`id` = :guest83μs1.64KBParams/libraries/src/Access/Access.php:868CopySELECT `c`.`id`,`c`.`asset_id`,`c`.`access`,`c`.`alias`,`c`.`checked_out`,`c`.`checked_out_time`,`c`.`created_time`,`c`.`created_user_id`,`c`.`description`,`c`.`extension`,`c`.`hits`,`c`.`language`,`c`.`level`,`c`.`lft`,`c`.`metadata`,`c`.`metadesc`,`c`.`metakey`,`c`.`modified_time`,`c`.`note`,`c`.`params`,`c`.`parent_id`,`c`.`path`,`c`.`published`,`c`.`rgt`,`c`.`title`,`c`.`modified_user_id`,`c`.`version`, CASE WHEN CHAR_LENGTH(`c`.`alias`) != 0 THEN CONCAT_WS(':', `c`.`id`, `c`.`alias`) ELSE `c`.`id` END as `slug`
FROM `incbmx_categories` AS `s`
INNER JOIN `incbmx_categories` AS `c` ON (`s`.`lft` <= `c`.`lft` AND `c`.`lft` < `s`.`rgt`) OR (`c`.`lft` < `s`.`lft` AND `s`.`rgt` < `c`.`rgt`)
WHERE (`c`.`extension` = :extension OR `c`.`extension` = 'system') AND `c`.`published` = 1 AND `s`.`id` = :id
ORDER BY `c`.`lft`178μs3.86KBParams/libraries/src/Categories/Categories.php:375CopySELECT `alias`
FROM `incbmx_content`
WHERE `id` = :id64μs1.31KBParams/components/com_content/src/Service/Router.php:289CopySELECT `id`,`name`,`rules`,`parent_id`
FROM `incbmx_assets`
WHERE `name` IN (:preparedArray1,:preparedArray2,:preparedArray3,:preparedArray4,:preparedArray5,:preparedArray6,:preparedArray7,:preparedArray8,:preparedArray9,:preparedArray10,:preparedArray11,:preparedArray12,:preparedArray13,:preparedArray14,:preparedArray15,:preparedArray16,:preparedArray17,:preparedArray18,:preparedArray19,:preparedArray20,:preparedArray21,:preparedArray22,:preparedArray23,:preparedArray24,:preparedArray25,:preparedArray26,:preparedArray27,:preparedArray28,:preparedArray29,:preparedArray30,:preparedArray31,:preparedArray32,:preparedArray33,:preparedArray34,:preparedArray35,:preparedArray36,:preparedArray37,:preparedArray38,:preparedArray39)348μs7.44KBParams/libraries/src/Access/Access.php:357CopySELECT `id`,`name`,`rules`,`parent_id`
FROM `incbmx_assets`
WHERE `name` LIKE :asset OR `name` = :extension OR `parent_id` = 09.73ms1.48MBParams/libraries/src/Access/Access.php:301CopySHOW FULL COLUMNS FROM `incbmx_content`370μs1.77KB/libraries/vendor/joomla/database/src/Mysqli/MysqliDriver.php:539CopyUPDATE `incbmx_content`
SET `hits` = (`hits` + 1)
WHERE `id` = '21616'115μs48B/libraries/src/Table/Table.php:1348CopySELECT `a`.`id`,`a`.`asset_id`,`a`.`title`,`a`.`alias`,`a`.`introtext`,`a`.`fulltext`,`a`.`state`,`a`.`catid`,`a`.`created`,`a`.`created_by`,`a`.`created_by_alias`,`a`.`modified`,`a`.`modified_by`,`a`.`checked_out`,`a`.`checked_out_time`,`a`.`publish_up`,`a`.`publish_down`,`a`.`images`,`a`.`urls`,`a`.`attribs`,`a`.`version`,`a`.`ordering`,`a`.`metakey`,`a`.`metadesc`,`a`.`access`,`a`.`hits`,`a`.`metadata`,`a`.`featured`,`a`.`language`,`fp`.`featured_up`,`fp`.`featured_down`,`c`.`title` AS `category_title`,`c`.`alias` AS `category_alias`,`c`.`access` AS `category_access`,`c`.`language` AS `category_language`,`fp`.`ordering`,`u`.`name` AS `author`,`parent`.`title` AS `parent_title`,`parent`.`id` AS `parent_id`,`parent`.`path` AS `parent_route`,`parent`.`alias` AS `parent_alias`,`parent`.`language` AS `parent_language`,ROUND(`v`.`rating_sum` / `v`.`rating_count`, 1) AS `rating`,`v`.`rating_count` AS `rating_count`
FROM `incbmx_content` AS `a`
INNER JOIN `incbmx_categories` AS `c` ON `c`.`id` = `a`.`catid`
LEFT JOIN `incbmx_content_frontpage` AS `fp` ON `fp`.`content_id` = `a`.`id`
LEFT JOIN `incbmx_users` AS `u` ON `u`.`id` = `a`.`created_by`
LEFT JOIN `incbmx_categories` AS `parent` ON `parent`.`id` = `c`.`parent_id`
LEFT JOIN `incbmx_content_rating` AS `v` ON `a`.`id` = `v`.`content_id`
WHERE
(
(`a`.`id` = :pk AND `c`.`published` > 0) AND
(`a`.`publish_up` IS NULL OR `a`.`publish_up` <= :publishUp)) AND
(`a`.`publish_down` IS NULL OR `a`.`publish_down` >= :publishDown) AND `a`.`state` IN (:preparedArray1,:preparedArray2)154μs6.12KBParams/components/com_content/src/Model/ArticleModel.php:215CopySELECT `c`.`id`,`c`.`asset_id`,`c`.`access`,`c`.`alias`,`c`.`checked_out`,`c`.`checked_out_time`,`c`.`created_time`,`c`.`created_user_id`,`c`.`description`,`c`.`extension`,`c`.`hits`,`c`.`language`,`c`.`level`,`c`.`lft`,`c`.`metadata`,`c`.`metadesc`,`c`.`metakey`,`c`.`modified_time`,`c`.`note`,`c`.`params`,`c`.`parent_id`,`c`.`path`,`c`.`published`,`c`.`rgt`,`c`.`title`,`c`.`modified_user_id`,`c`.`version`, CASE WHEN CHAR_LENGTH(`c`.`alias`) != 0 THEN CONCAT_WS(':', `c`.`id`, `c`.`alias`) ELSE `c`.`id` END as `slug`
FROM `incbmx_categories` AS `s`
INNER JOIN `incbmx_categories` AS `c` ON (`s`.`lft` <= `c`.`lft` AND `c`.`lft` < `s`.`rgt`) OR (`c`.`lft` < `s`.`lft` AND `s`.`rgt` < `c`.`rgt`)
WHERE (`c`.`extension` = :extension OR `c`.`extension` = 'system') AND `c`.`access` IN (:preparedArray1,:preparedArray2) AND `c`.`published` = 1 AND `s`.`id` = :id
ORDER BY `c`.`lft`206μs3.91KBParams/libraries/src/Categories/Categories.php:375CopySELECT `m`.`tag_id`,`t`.*
FROM `incbmx_contentitem_tag_map` AS `m`
INNER JOIN `incbmx_tags` AS `t` ON `m`.`tag_id` = `t`.`id`
WHERE `m`.`type_alias` = :contentType AND `m`.`content_item_id` = :id AND `t`.`published` = 1 AND `t`.`access` IN (:preparedArray1,:preparedArray2)306μs3.97KBParams/libraries/src/Helper/TagsHelper.php:388CopySELECT `c`.`id`,`c`.`asset_id`,`c`.`access`,`c`.`alias`,`c`.`checked_out`,`c`.`checked_out_time`,`c`.`created_time`,`c`.`created_user_id`,`c`.`description`,`c`.`extension`,`c`.`hits`,`c`.`language`,`c`.`level`,`c`.`lft`,`c`.`metadata`,`c`.`metadesc`,`c`.`metakey`,`c`.`modified_time`,`c`.`note`,`c`.`params`,`c`.`parent_id`,`c`.`path`,`c`.`published`,`c`.`rgt`,`c`.`title`,`c`.`modified_user_id`,`c`.`version`, CASE WHEN CHAR_LENGTH(`c`.`alias`) != 0 THEN CONCAT_WS(':', `c`.`id`, `c`.`alias`) ELSE `c`.`id` END as `slug`
FROM `incbmx_categories` AS `s`
INNER JOIN `incbmx_categories` AS `c` ON (`s`.`lft` <= `c`.`lft` AND `c`.`lft` < `s`.`rgt`) OR (`c`.`lft` < `s`.`lft` AND `s`.`rgt` < `c`.`rgt`)
WHERE (`c`.`extension` = :extension OR `c`.`extension` = 'system') AND `c`.`access` IN (:preparedArray1,:preparedArray2) AND `c`.`published` = 1 AND `s`.`id` = :id
ORDER BY `c`.`lft`175μs3.91KBParams/libraries/src/Categories/Categories.php:375CopySELECT DISTINCT a.id, a.title, a.name, a.checked_out, a.checked_out_time, a.note, a.state, a.access, a.created_time, a.created_user_id, a.ordering, a.language, a.fieldparams, a.params, a.type, a.default_value, a.context, a.group_id, a.label, a.description, a.required, a.only_use_in_subform,l.title AS language_title, l.image AS language_image,uc.name AS editor,ag.title AS access_level,ua.name AS author_name,g.title AS group_title, g.access as group_access, g.state AS group_state, g.note as group_note
FROM incbmx_fields AS a
LEFT JOIN `incbmx_languages` AS l ON l.lang_code = a.language
LEFT JOIN incbmx_users AS uc ON uc.id=a.checked_out
LEFT JOIN incbmx_viewlevels AS ag ON ag.id = a.access
LEFT JOIN incbmx_users AS ua ON ua.id = a.created_user_id
LEFT JOIN incbmx_fields_groups AS g ON g.id = a.group_id
LEFT JOIN `incbmx_fields_categories` AS fc ON fc.field_id = a.id
WHERE
(
(`a`.`context` = :context AND (`fc`.`category_id` IS NULL OR `fc`.`category_id` IN (:preparedArray1,:preparedArray2)) AND `a`.`access` IN (:preparedArray3,:preparedArray4)) AND
(`a`.`group_id` = 0 OR `g`.`access` IN (:preparedArray5,:preparedArray6)) AND `a`.`state` = :state) AND
(`a`.`group_id` = 0 OR `g`.`state` = :gstate) AND `a`.`only_use_in_subform` = :only_use_in_subform
ORDER BY a.ordering ASC370μs4.75KBParams/libraries/src/MVC/Model/BaseDatabaseModel.php:164CopySELECT `c`.`id`,`c`.`asset_id`,`c`.`access`,`c`.`alias`,`c`.`checked_out`,`c`.`checked_out_time`,`c`.`created_time`,`c`.`created_user_id`,`c`.`description`,`c`.`extension`,`c`.`hits`,`c`.`language`,`c`.`level`,`c`.`lft`,`c`.`metadata`,`c`.`metadesc`,`c`.`metakey`,`c`.`modified_time`,`c`.`note`,`c`.`params`,`c`.`parent_id`,`c`.`path`,`c`.`published`,`c`.`rgt`,`c`.`title`,`c`.`modified_user_id`,`c`.`version`, CASE WHEN CHAR_LENGTH(`c`.`alias`) != 0 THEN CONCAT_WS(':', `c`.`id`, `c`.`alias`) ELSE `c`.`id` END as `slug`
FROM `incbmx_categories` AS `s`
INNER JOIN `incbmx_categories` AS `c` ON (`s`.`lft` <= `c`.`lft` AND `c`.`lft` < `s`.`rgt`) OR (`c`.`lft` < `s`.`lft` AND `s`.`rgt` < `c`.`rgt`)
WHERE (`c`.`extension` = :extension OR `c`.`extension` = 'system') AND `c`.`access` IN (:preparedArray1,:preparedArray2) AND `c`.`published` = 1 AND `s`.`id` = :id
ORDER BY `c`.`lft`162μs5.16KBParams/libraries/src/Categories/Categories.php:375CopySELECT `title`
FROM `incbmx_finder_taxonomy`
WHERE `parent_id` = 1 AND `state` = 1 AND `access` IN (1,5)93μs648B/administrator/components/com_finder/src/Indexer/Taxonomy.php:325CopySELECT *
FROM `incbmx_schemaorg`
WHERE `itemId` = :itemId AND `context` = :context63μs1.55KBParams/plugins/system/schemaorg/src/Extension/Schemaorg.php:406CopySELECT `a`.`id`,`a`.`asset_id`,`a`.`title`,`a`.`alias`,`a`.`introtext`,`a`.`fulltext`,`a`.`state`,`a`.`catid`,`a`.`created`,`a`.`created_by`,`a`.`created_by_alias`,`a`.`modified`,`a`.`modified_by`,`a`.`checked_out`,`a`.`checked_out_time`,`a`.`publish_up`,`a`.`publish_down`,`a`.`images`,`a`.`urls`,`a`.`attribs`,`a`.`version`,`a`.`ordering`,`a`.`metakey`,`a`.`metadesc`,`a`.`access`,`a`.`hits`,`a`.`metadata`,`a`.`featured`,`a`.`language`,`fp`.`featured_up`,`fp`.`featured_down`,`c`.`title` AS `category_title`,`c`.`alias` AS `category_alias`,`c`.`access` AS `category_access`,`c`.`language` AS `category_language`,`fp`.`ordering`,`u`.`name` AS `author`,`parent`.`title` AS `parent_title`,`parent`.`id` AS `parent_id`,`parent`.`path` AS `parent_route`,`parent`.`alias` AS `parent_alias`,`parent`.`language` AS `parent_language`,ROUND(`v`.`rating_sum` / `v`.`rating_count`, 1) AS `rating`,`v`.`rating_count` AS `rating_count`
FROM `incbmx_content` AS `a`
INNER JOIN `incbmx_categories` AS `c` ON `c`.`id` = `a`.`catid`
LEFT JOIN `incbmx_content_frontpage` AS `fp` ON `fp`.`content_id` = `a`.`id`
LEFT JOIN `incbmx_users` AS `u` ON `u`.`id` = `a`.`created_by`
LEFT JOIN `incbmx_categories` AS `parent` ON `parent`.`id` = `c`.`parent_id`
LEFT JOIN `incbmx_content_rating` AS `v` ON `a`.`id` = `v`.`content_id`
WHERE
(
(`a`.`id` = :pk AND `c`.`published` > 0) AND
(`a`.`publish_up` IS NULL OR `a`.`publish_up` <= :publishUp)) AND
(`a`.`publish_down` IS NULL OR `a`.`publish_down` >= :publishDown) AND `a`.`state` IN (:preparedArray1,:preparedArray2)162μs6.17KBParams/components/com_content/src/Model/ArticleModel.php:215CopySELECT SUM(CASE WHEN `a`.`next_execution` <= :now THEN 1 ELSE 0 END) AS due_count,SUM(CASE WHEN `a`.`locked` IS NULL THEN 0 ELSE 1 END) AS locked_count
FROM `incbmx_scheduler_tasks` AS `a`
WHERE `a`.`state` = 171μs1.37KBParams/administrator/components/com_scheduler/src/Model/TasksModel.php:517Copy


