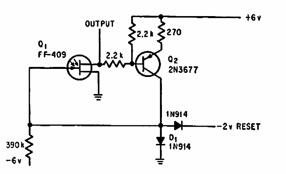
Este circuito es de una documentación estadounidense de 1966. El circuito utiliza un foto-FET, un componente inusual en la actualidad.

Fotocontrol con foto FET
Este circuito es de una documentación estadounidense de 1966. El circuito utiliza un foto-FET, un componente inusual en la actualidad.
