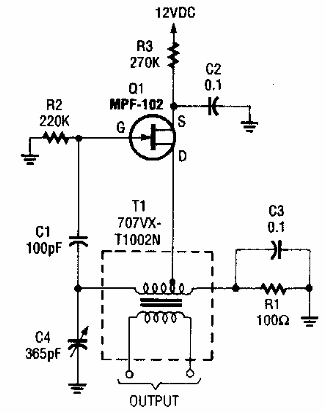
Encontrado en una Popular Electronics de los años 90, este circuito genera señales de 530 a 1600 kHz para ajustes en radios de AM. La bobina es un radio oscilador transistorizado de la época.

Generador de señal para el rango de onda media
Encontrado en una Popular Electronics de los años 90, este circuito genera señales de 530 a 1600 kHz para ajustes en radios de AM. La bobina es un radio oscilador transistorizado de la época.
