Este circuito se encontró en una documentación de General Electric de 1967. Los diodos túnel pueden oscilar a frecuencias muy altas. Actualmente, estos no son componentes fáciles de obtener.

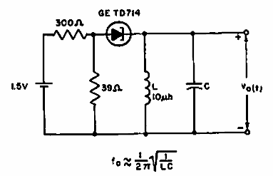
Oscilador de diodo túnel
Este circuito se encontró en una documentación de General Electric de 1967. Los diodos túnel pueden oscilar a frecuencias muy altas. Actualmente, estos no son componentes fáciles de obtener.
