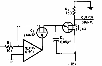
Este oscilador lineal fue encontrado en una publicación de 1968. El amplificador operacional es de esa época. Tanto el FET como el integrado admiten equivalentes actuales.

Oscilador con carga de corriente constante
Este oscilador lineal fue encontrado en una publicación de 1968. El amplificador operacional es de esa época. Tanto el FET como el integrado admiten equivalentes actuales.
