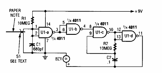
Lo que hace este interesante circuito es advertir que una nota escrita en un papel ha sido eliminada y leída, desencadenando un circuito de advertencia con un timbre intermitente. El circuito es de una electrónica popular de los años 90.

Aviso de advertencias



