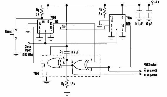
Este circuito se encontró en una Electronic Design de los años 90. El circuito es para tecnología TTL y puede funcionar como un shield para microcontroladores.

Generador de secuencia pseudoaleatoria
Este circuito se encontró en una Electronic Design de los años 90. El circuito es para tecnología TTL y puede funcionar como un shield para microcontroladores.
