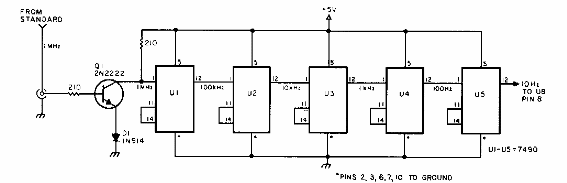
Indicado para mediciones de frecuencia, este circuito puede funcionar con entradas de hasta 1 MHz. Encontramos en una revista para radioaficionados 73 de los 90, El circuito es TTL.

Divisor de frecuencia
Indicado para mediciones de frecuencia, este circuito puede funcionar con entradas de hasta 1 MHz. Encontramos en una revista para radioaficionados 73 de los 90, El circuito es TTL.
