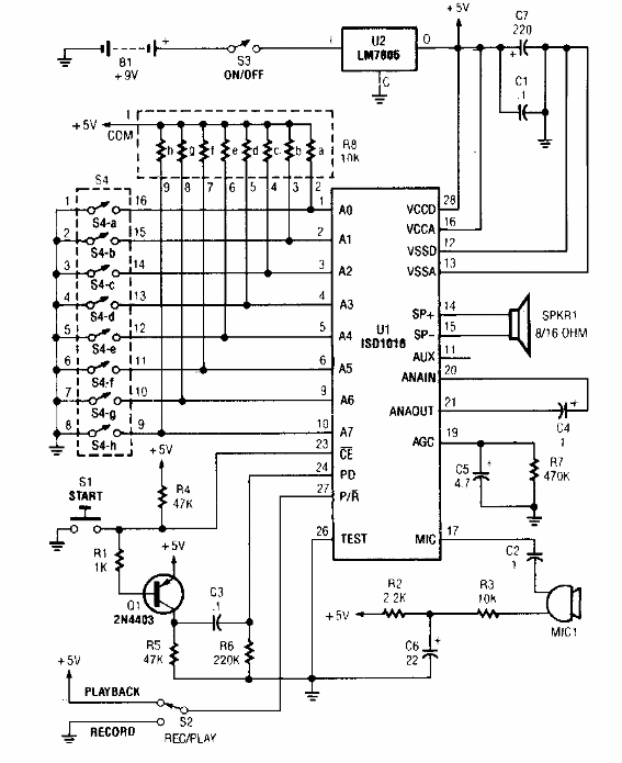
Encontrado en una Popular Electronics de los años 90, este circuito de grabación digital utiliza un circuito integrado inusual en la actualidad.

Grabador digital ISD1016
Encontrado en una Popular Electronics de los años 90, este circuito de grabación digital utiliza un circuito integrado inusual en la actualidad.
