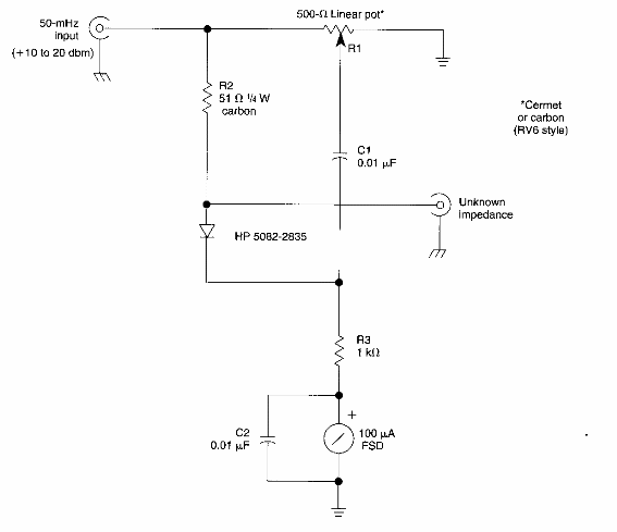
Encontrado en una documentación para radioaficionados de los 90, este circuito es adecuado para mediciones de RF en sistemas de transmisión. El potenciómetro debe ser de un tipo especial.

Puente RF de 50 MHz
Encontrado en una documentación para radioaficionados de los 90, este circuito es adecuado para mediciones de RF en sistemas de transmisión. El potenciómetro debe ser de un tipo especial.
