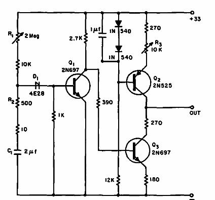
Encontrado en una Electronic Design de 1965, este circuito genera pulsos ajustables entre 200 uA y 10 mA. Los componentes admiten equivalentes. La duración de los pulsos es de 1 us.

Generador de impulsos de corriente constante
Encontrado en una Electronic Design de 1965, este circuito genera pulsos ajustables entre 200 uA y 10 mA. Los componentes admiten equivalentes. La duración de los pulsos es de 1 us.
