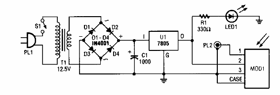
Encontrado en una Popular Electronics de los años 90, este circuito verifica si un transmisor de control remoto está emitiendo señales. El sensor es el tipo común utilizado en dispositivos electrónicos.

Analizador de control remoto
Encontrado en una Popular Electronics de los años 90, este circuito verifica si un transmisor de control remoto está emitiendo señales. El sensor es el tipo común utilizado en dispositivos electrónicos.
