Sugerido por Linear Technology en documentación de los años 90, este circuito monolítico de 5 polos tiene frecuencias de corte de hasta 50 kHz. El circuito utiliza componentes de época.

Filtro paso bajas con offset de 1 mV
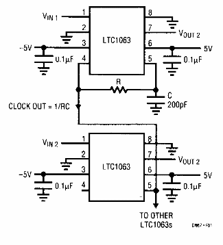
Sugerido por Linear Technology en documentación de los años 90, este circuito monolítico de 5 polos tiene frecuencias de corte de hasta 50 kHz. El circuito utiliza componentes de época.
