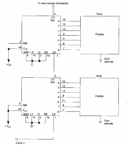
Encontramos en una documentación estadounidense este circuito para activar displays de cátodo común. En él tenemos la forma de conectar en cascada el 4033 para manejar dos displays (docenas y unidades).

Unidad de visualización 4033
Encontramos en una documentación estadounidense este circuito para activar displays de cátodo común. En él tenemos la forma de conectar en cascada el 4033 para manejar dos displays (docenas y unidades).
