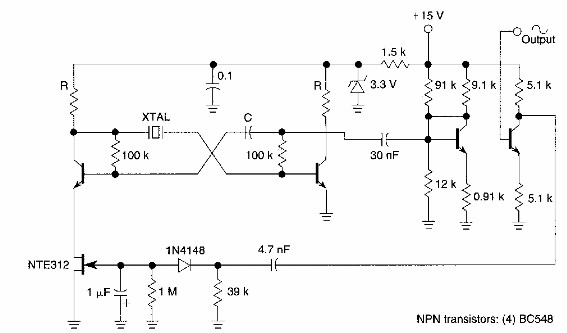
Encontrado en una RF Design de los años 90, este circuito está destinado a cristales de menos de 1 MHz. Los transistores son tipos de propósito general actuales.

Oscilador de cristal de baja frecuencia
Encontrado en una RF Design de los años 90, este circuito está destinado a cristales de menos de 1 MHz. Los transistores son tipos de propósito general actuales.
