Este circuito se encontró en la documentación de los años 70. Los transistores son de esa época, pero el circuito se puede implementar con componentes equivalentes modernos.

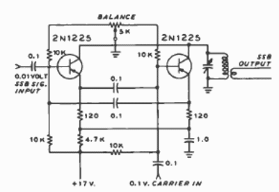
Modulador balanceado para SSB
Este circuito se encontró en la documentación de los años 70. Los transistores son de esa época, pero el circuito se puede implementar con componentes equivalentes modernos.
