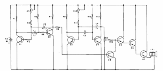
Entre otras aplicaciones, el manual del transistor Sylvania de 1960 indica este temporizador para partidas de ajedrez. Los componentes admiten equivalentes.

Temporizador intervalador

Temporizador intervalador
Entre otras aplicaciones, el manual del transistor Sylvania de 1960 indica este temporizador para partidas de ajedrez. Los componentes admiten equivalentes.

