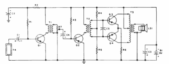
Este circuito se obtuvo en un manual de transistores de 1960 de Sylvania. El circuito utiliza pequeños transformadores de radio de transistores de esa época. La bobina de recogida puede ser el devanado primario de un transformador pequeño sin núcleo.

Amplificador telefónico

Amplificador telefónico



