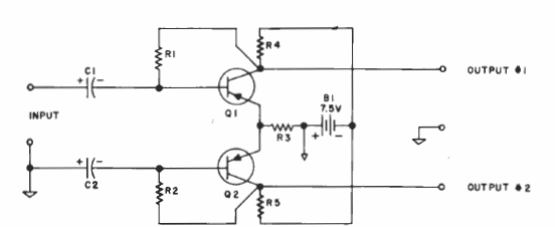
Este circuito proporciona dos salidas de la misma señal. Uno con la fase original y el otro con la fase invertida. Lo encontramos en un manual de transistores de 1960 de Sylvania. Se pueden utilizar transistores equivalentes modernos.

Inversor de fase

Inversor de fase



