Esta configuración con FET y Unijuntura se puede encontrar en otra parte de este sitio. El JFET admite equivalente y la frecuencia depende del capacitor. El circuito es de un Radio Handbook de 1977.

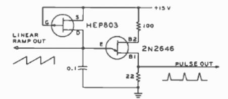
Generador de rampa lineal
Esta configuración con FET y Unijuntura se puede encontrar en otra parte de este sitio. El JFET admite equivalente y la frecuencia depende del capacitor. El circuito es de un Radio Handbook de 1977.
