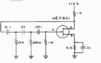
Encontramos este circuito en un Manual de Radio de 1977. El circuito se aplica a cualquier JFET y la frecuencia depende de la red de cambio de fase.

Oscilador FET de desplazamiento de fase
Encontramos este circuito en un Manual de Radio de 1977. El circuito se aplica a cualquier JFET y la frecuencia depende de la red de cambio de fase.
