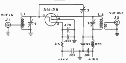
Este circuito se obtuvo en un Radio Handbook de 1977. El transistor es de la época y las bobinas dependen de la frecuencia de la señal que debe amplificarse.

Amplificador VHF con MOSFET
Este circuito se obtuvo en un Radio Handbook de 1977. El transistor es de la época y las bobinas dependen de la frecuencia de la señal que debe amplificarse.
