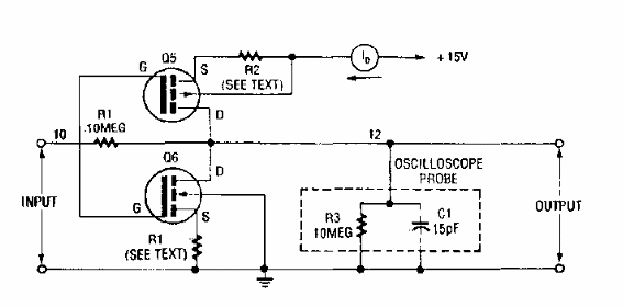
Este amplificador se encontró en una Electronics Now de los años 90. Los FET son parte de un CD4007CB.
Cuando se habla de oscilador de relajación, pronto se piensa en los transistores unijuntura que, a pesar de...
Si en la oscuridad tropiezas varias veces en objetos de tu casa antes de llegar al interruptor de luz, ¿por...
Este oscilador puede producir una señal de alta frecuencia en el rango de 20 MHz a 150 MHz,...