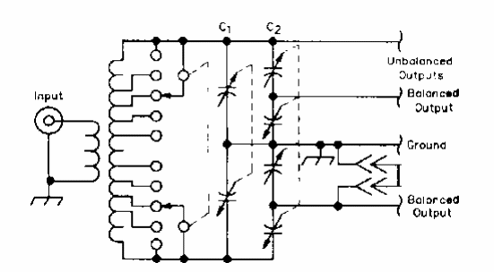
La bobina y los enchufes de este circuito que se encuentran en un QST dependen del rango de frecuencia que se pretende sintonizar.

Adaptador de antena
La bobina y los enchufes de este circuito que se encuentran en un QST dependen del rango de frecuencia que se pretende sintonizar.
