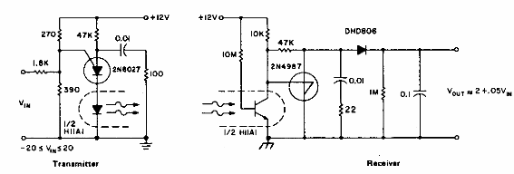
Este circuito hace uso de componentes inusuales hoy en día. Lo encontramos en la documentación de General Electric de la década de 1980. El circuito funciona con señales ópticas moduladas.

Acoplador lineal con PUT y SUS
Este circuito hace uso de componentes inusuales hoy en día. Lo encontramos en la documentación de General Electric de la década de 1980. El circuito funciona con señales ópticas moduladas.
