Este circuito se encontró en una EEE de 1966. Lo que hace es convertir los niveles lógicos de 0 V y +4 V a -6 V y +6 V. Algunos transistores de tipo antiguo pueden reemplazarse por equivalentes modernos.

Modificador de nivel lógico
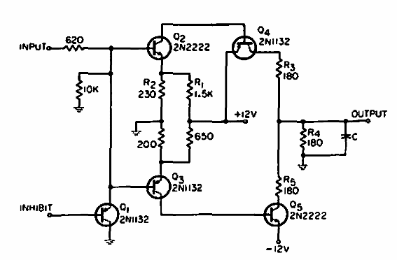
Este circuito se encontró en una EEE de 1966. Lo que hace es convertir los niveles lógicos de 0 V y +4 V a -6 V y +6 V. Algunos transistores de tipo antiguo pueden reemplazarse por equivalentes modernos.
