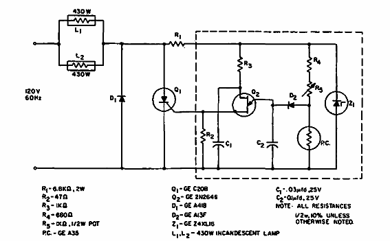
Este atenuador para lámparas incandescentes de alta potencia se encontró en un manual de General Electric de 1967. El circuito utiliza componentes de la época.

Dimmer 830 W
Este atenuador para lámparas incandescentes de alta potencia se encontró en un manual de General Electric de 1967. El circuito utiliza componentes de la época.
