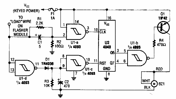
Este circuito se obtuvo en una electrónica popular de los años 90. Advierte cuando se olvida el indicador y activa una alarma sonora. La alarma utilizada es el tipo Sonalert de la época.

Recordatorio de indicador de dirección
Este circuito se obtuvo en una electrónica popular de los años 90. Advierte cuando se olvida el indicador y activa una alarma sonora. La alarma utilizada es el tipo Sonalert de la época.
