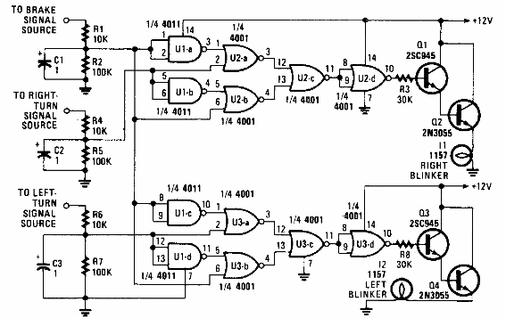
Este circuito se encontró en una electrónica popular de los años 90 que se aplicaba a las lámparas de señalización automotrices comunes. El circuito se puede adaptar a los LED.

Luz de freno y dirección
Este circuito se encontró en una electrónica popular de los años 90 que se aplicaba a las lámparas de señalización automotrices comunes. El circuito se puede adaptar a los LED.
