Este circuito fue sugerido por una Electronic Design de los años 90. Su propósito es detectar relaciones de resistencia en circuitos con sensores resistivos con fines de control, disparando un relé.

Detector de relación de resistencias
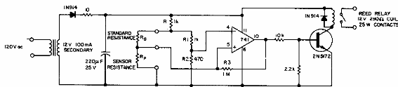
Este circuito fue sugerido por una Electronic Design de los años 90. Su propósito es detectar relaciones de resistencia en circuitos con sensores resistivos con fines de control, disparando un relé.
