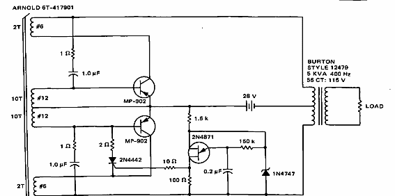
Este circuito se encontró en una documentación de Motorola de 1968, utilizando transistores de alta potencia y operado a 580 Hz. El circuito emplea un transformador especial.

Inversor 120 V x 2 kW
Este circuito se encontró en una documentación de Motorola de 1968, utilizando transistores de alta potencia y operado a 580 Hz. El circuito emplea un transformador especial.
