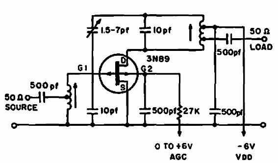
Sugerido por una Electronic Design de 1965, este circuito tiene una ganancia de 15 dB en 45 MHz, pudiéndose cambiar para operar en otras frecuencias. El tetrodo FET es un componente poco común hoy en día.

Amplificador FET Tetrodo
Sugerido por una Electronic Design de 1965, este circuito tiene una ganancia de 15 dB en 45 MHz, pudiéndose cambiar para operar en otras frecuencias. El tetrodo FET es un componente poco común hoy en día.
