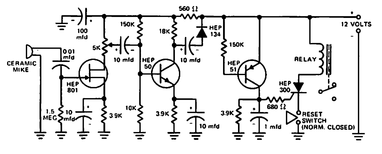
Encontramos este Vox en una documentación de Motorola de 1969. Los transistores admiten equivalentes actuales y el SCR puede ser un TIC106. El reset se realiza mediante un interruptor de presión.

 

Relé activado por sonido
Relé activado por sonido | Haga click en la imagen para ampliar |