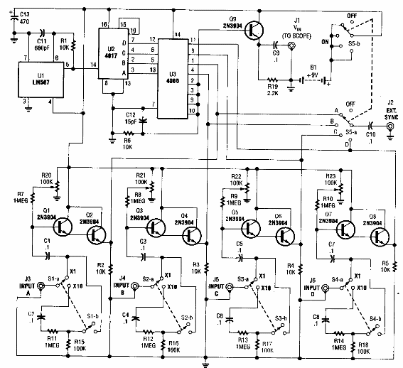
Encontrado en una Popular Electronics de los años 90, este circuito transforma un osciloscopio ordinario en un osciloscopio de 4 pistas. Por supuesto, no es un circuito de alta frecuencia, pero los componentes utilizados son comunes.

Adaptador para osciloscopio de 4 tiempos



