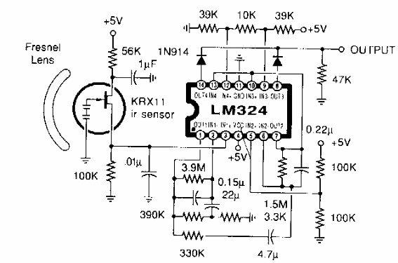
Este circuito se obtuvo de una Radio Electronics desde los años 90. El sensor infrarrojo es de un tipo poco común hoy en día, pero se pueden buscar equivalentes modernos.

Detector infrarrojo de personas
Este circuito se obtuvo de una Radio Electronics desde los años 90. El sensor infrarrojo es de un tipo poco común hoy en día, pero se pueden buscar equivalentes modernos.
