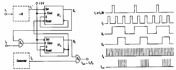
Encontrado en una Electronic Design de los años 90, este circuito produce una señal cuya frecuencia es linealmente proporcional a la relación entre las frecuencias de las señales de entrada. El circuito puede actuar como un shield.

Monitor de relación de frecuencia



