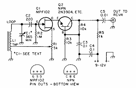
Tenemos varios circuitos como este en esta sección y en el sitio web. Esto es de una revista 73 para radioaficionados de los Estados Unidos, en una edición de los 80. Se pueden usar transistores equivalentes. El circuito opera desde ondas medias hasta 3 MHz.

Preamplificador de antena



