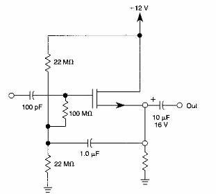
Encontrado en la documentación estadounidense, este circuito muestra cómo polarizar un FET en modo bootstrap. El circuito se aplica a cualquier FET.

Seguidor de fuente
Encontrado en la documentación estadounidense, este circuito muestra cómo polarizar un FET en modo bootstrap. El circuito se aplica a cualquier FET.
