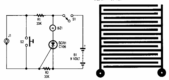
Este circuito es de una Popular Electronics. El timbre es del tipo Sonalert con oscilador incorporado. El circuito debe ser alimentado por batería y S2 lo reinicia. El sensor es una placa con el patrón que se muestra en la figura.

Alarma de fugas
Este circuito es de una Popular Electronics. El timbre es del tipo Sonalert con oscilador incorporado. El circuito debe ser alimentado por batería y S2 lo reinicia. El sensor es una placa con el patrón que se muestra en la figura.
