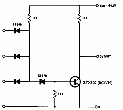
Encontrado en la documentación de Ferranti de 1969, este circuito puede equiparse con un transistor moderno equivalente. El circuito tiene una inmunidad de 4 V y puede usarse como un shield para sensores.

Función lógica de alta inmunidad
Encontrado en la documentación de Ferranti de 1969, este circuito puede equiparse con un transistor moderno equivalente. El circuito tiene una inmunidad de 4 V y puede usarse como un shield para sensores.
