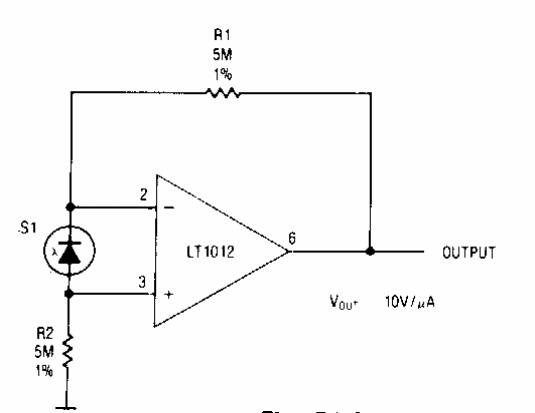
Encontrado en la documentación de Linear Technology de los años 90, este circuito utiliza un amplificador operacional de la época. La configuración se aplica a otros amplificadores operacionales. La alimentación debe ser simétrica.

Amplificador de fotodiodos



