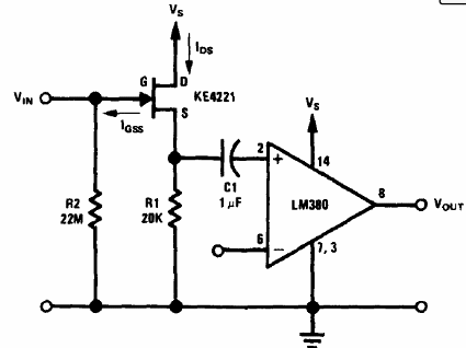
In the figure we have the way to add a FET (BF245 or equivalent) to an amplifier with the LM380 to obtain very high input impedance. The circuit is from the 1994 Linear Applications Handbook from National Semiconductor. The power can be between 9 and 14 V and the maximum power is in the order of 3.5 W.

High Input Impedance for the LM380



