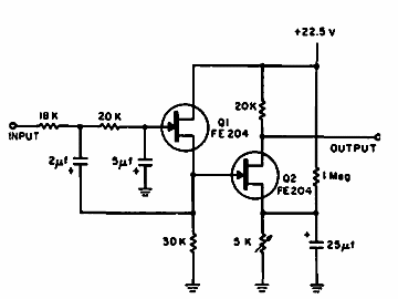
Este circuito de muy baja frecuencia se encontró en una Electronic Design de 1964. Los transistores pueden ser equivalentes modernos. El filtro es de tipo pasa bajas.

Filtro activo de 1 Hz
Este circuito de muy baja frecuencia se encontró en una Electronic Design de 1964. Los transistores pueden ser equivalentes modernos. El filtro es de tipo pasa bajas.
