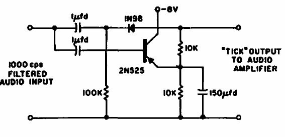
Originalmente diseñado para señales WWV (estación de tiempo estándar), deja pasar tonos de 1 kHz al rechazar los tonos de 440 y 600 Hz emitidos por la estación. El circuito es de una Electronic Design de 1964.

Filtro de 1 kHz
Originalmente diseñado para señales WWV (estación de tiempo estándar), deja pasar tonos de 1 kHz al rechazar los tonos de 440 y 600 Hz emitidos por la estación. El circuito es de una Electronic Design de 1964.
