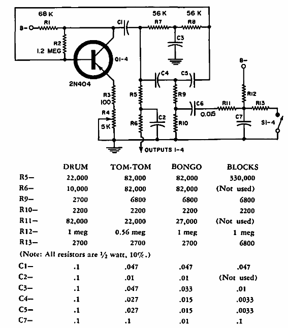
Este circuito produce sonido de percusión de varios instrumentos y puede usarse en un tambor electrónico. El transistor puede ser cualquier propósito general y los tonos obtenidos dependen de los componentes como se muestra en la tabla. La señal debe aplicarse a un amplificador.

Oscilador amortiguado



